The Airtech VCX positive displacement rotary claw design is air cooled, dry-running and noncontacting. These features, along with quality construction results in a vacuum pump that is extremely high in reliability and a long service life. The non-contact design eliminates internal wear and maintenance. No water levels to check due to air-cooled operation and no sealing or lubricating oil is needed in the pumping chamber.
The claw shaped rotors inside the pump housing rotate in opposite directions,compressing the air and discharging through a silencer to the atmosphere. The anti-suck back valve in the inlet flange prevents back flow into the pumping chamber. The two rotors are synchronized by gears that are oil lubricated to facilitate a long gear life.
Model Features
- Non-Contact Design
- Air Cooled and Direct Driven
- Oil-Free (Dry) Pumping Chamber
- Simple, Modular Construction
- Suitable for Variable Speed Applications
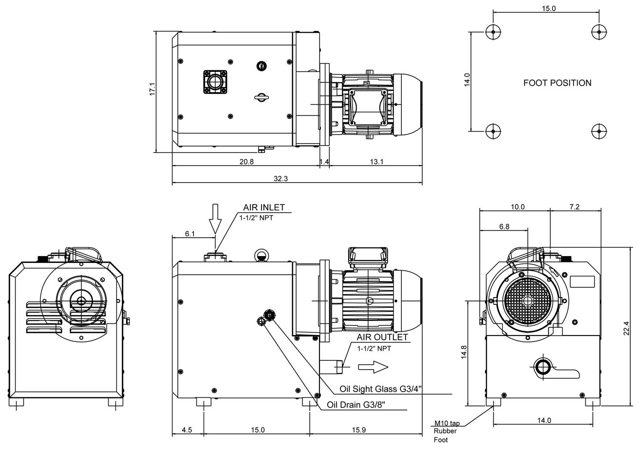
VCX105 Specifications
Model |
CFM |
Ultimate
|
Ultimate
|
HP |
RPM |
Voltage |
Full Load
|
GearBox Oil Cap. |
Avg. Noise
|
Inlet/OutletConnections |
Weight
|
| VCX105 | 70 | 28.44 | 25.50 | 3 | 3450 | 208-230/460 | 8.1-7.6/3.8 | 0.5 qts. | 79 | 1.5″ | 237 |

