Quality construction and design features make KCP positive displacement rotary claw vacuum pumps extremely reliable and easy to maintain. The KCP’s non-contact design reduces internal wear, and air-cooled operation eliminates the need for cooling liquid. The unit is also dry-running, so no sealing or lubricating oil is needed in the pumping chamber.
Claw shaped rotors inside the pump housing rotate in opposite directions, compressing air and discharging to the atmosphere through a silencer. The two rotors are synchronized by gears that are oil lubricated to facilitate a long gear life.
Model Features
- Non-Contact Design
- Air Cooled and Direct Driven
- Oil-Free (Dry) Pumping Chamber
- Simple, Modular Construction
- Suitable for Variable Speed Applications
KCP150 Specifications
Model |
PowerFrequency |
Capacity
|
ContinuousOperating
|
Ulitmate Vacuum(in. Hg) |
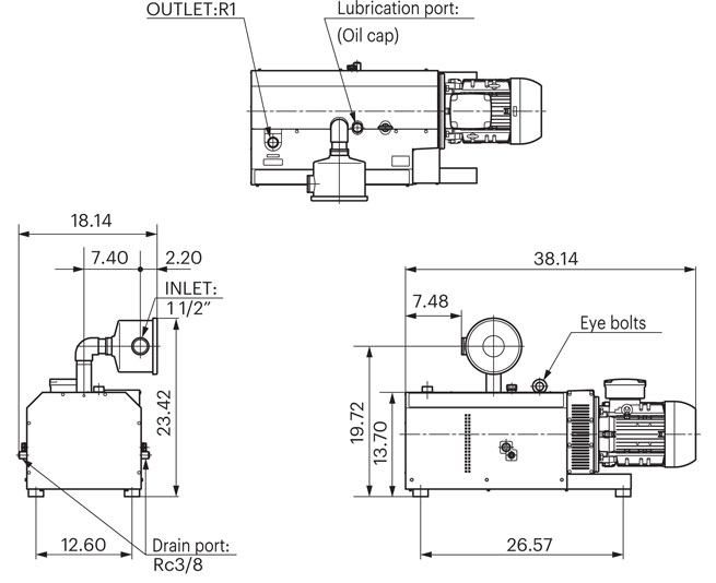
PipingConnection |
Output Power |
Rated Voltage |
Weight |
OperatingNoise |
| KCP150 | 50 | 80 | 25.1 | 26.6 | 1 1/2″ | 5 HP/2900 RPM | 200V/400V | 320 lb. | 75 dB |
| KCP150 | 60 | 100 | 25.1 | 26.6 | 1 1/2″ | 5 HP/3500 RPM | 208-230V/480V | 320 lb. | 78 dB |

