Series Features
- Meets NFPA-99 applications
- Low annual maintenance cost
- Air cooled intercooler
- Sealed bearings
- Head unloaders
- On-board cooling fan
- Low noise
SDU-307 Specifications
Model |
HP |
Max. PSIG |
SCFM at
|
SCFM at
|
RPM at
|
Cylinders |
| SDU-307 | 7.5 | 125 | 28.0 | 25.9 | 700 | 3 |
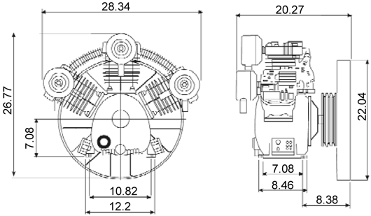
SDU-307 Dimensions (Inches)
SDU Series Features
-
CYLINDER BARREL
Aluminum alloy material and deep cooling fin ensure quick heat dissipation. Special cylinder hardening treatment results in improved wear resistance.
-
COMPRESSION RING AND GUIDE RING
Compression/guide ring made from high grade PTFE providing low friction and self lubrication.
-
GASKET
Graphite material not only for reliable sealing but also environmentally friendly.
-
SUCTION AND DISCHARGE VALVE ASSEMBLY
High efficiency, low noise valve design for long life and trouble-free operation.
-
BEARING
Totally enclosed, packed with high temperature grease. Needle bearing in piston pin with rod made of low heat transmission alloy.
-
CRANKSHAFT
High grade ductile iron. Hollow casting design with precise balance and machining. Effectively reducing running vibration and temperature.
-
COOLING SYSTEM
Precision balanced cooling fan provides sufficient flow to control operating temperature. No additional cooling fan required.
Series Features
