Model Features
- Totally oil-less construction
- Low noise
- Long life piston rings
- High-efficiency valves
- High capacity cooling system
- TEFC motor
- Built-in filter/silencer
- Precision cast, high heat rejection cylinder casts
Notes
- Direct Drive
- Two Cylinder Design
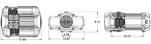
2CIT-1 Specifications
Model |
HP |
RPM |
Displacement |
Max. PSIG |
Cylinders |
Volts/Hz |
Amps |
Weight |
| 2CIT-1 | 2.0 | 1700 | 9.0 SCFM | 125 | 2 | 115/230/60 | 18.4/9.2 | 55 lbs. |
Model Features
