3AVU 80Airtech/Speck Liquid Ring Vacuum Pumps are ideal for various applications that require continuous and quiet operation, compact design, and reduced power consumption. The single stage design provides efficient operation from 15 through 1100 cfm for vacuum levels upto 26″ HgV. The impeller’s unique design of slower spinning curved blades reduces tip speed enhancing the life expectancy of the pump.

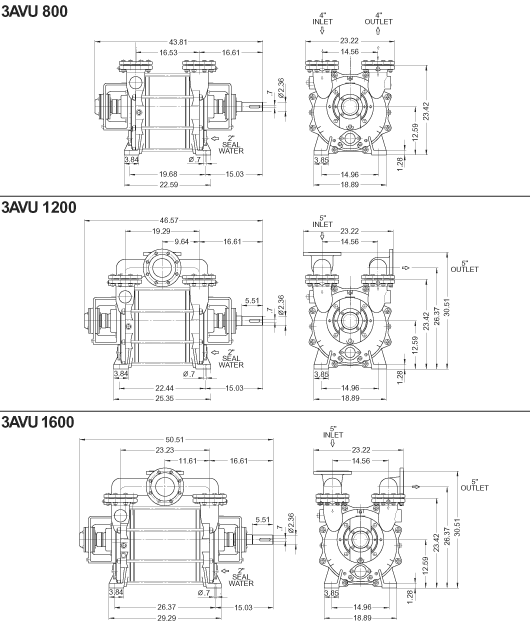
3AVU 800/1200/1600 Dimensions (Inches)

3AVU 800/1200/1600 Dimensions (Inches)

Performance Curves

Performance Curves