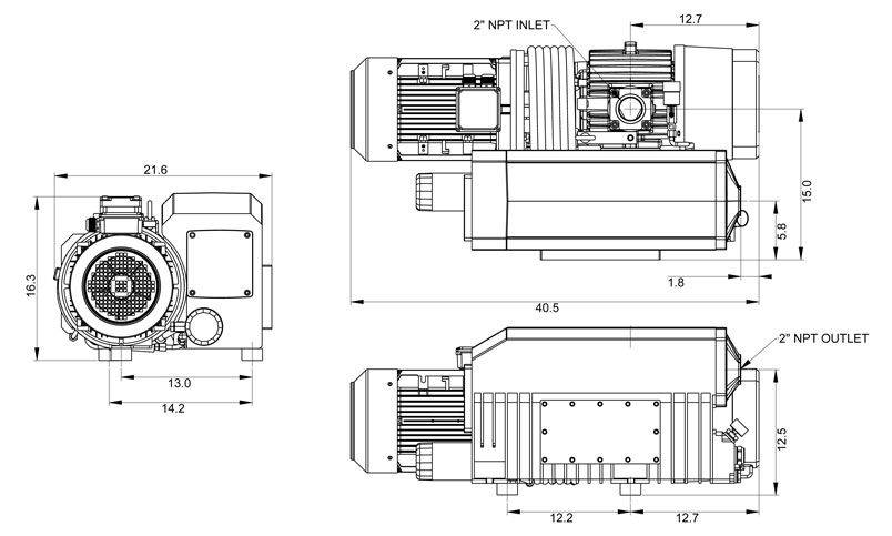
The Airtech oil-flooded, multi-vane vacuum pumps are single stage, air cooled and direct driven. This simple design ensures the reliability and the durability that is required in the vacuum industry.
Model Features
- High performance carbon composite vanes
- Oil level sight glass
- Vibraton isolators
- Anti-suck back valve
- Integral exhaust filters
- TEFC high-efficiency tri-voltage motor (208-230-460V 50/60)
- Exhaust pressure gauge
- Wire mesh inlet screen
- Spin-on oil filter
Model Specifications
Model |
CFM |
HP |
RPM |
Sound Level
|
End Vacuum
|
Weight with
|
Oil Quantity |
| L305B | 212 | 12 | 1725 | 76 | 0.5 | 415 | 7 qts. |


