Model Features
- Compact light-weight design
- Environmentally friendly oil-free technology
- Operates quietly at a maximum 70 dB(A)
- Maintenance free design
- Cooler running outboard bearings increase service life
- Built-in particulate filters and silencers
- Handles vacuum and/or pressure applications
- Ideal alternative to standard oil sealed rotary vane pumps
Notes
- Standard voltage for three phase pumps is 208-230/460V 3ph 60Hz.
- Standard voltage for single phase pumps is 115/230/1ph 50/60Hz, or 115V/1ph 60Hz, or 230V/1ph 60Hz
- All pumps available in 50Hz frequency and with other voltages.
Selection & Ordering Data - KRF-15
Vacuum Specifications
|
Model Number
|
Motor
|
RPM
|
HP
|
CFM
|
Max. Hg (Inches)
|
Weight (lbs.)
|
Noise Level [dB(A)]
|
| KRF15-G |
w/o motor |
N/A |
N/A |
10 |
27.5″ |
23 |
65 |
| KRF15-G1 |
208-230/460V |
1750 |
0.5 |
10 |
27.5″ |
39 |
65 |
| KRF15-G4 |
115/230V |
1750 |
0.5 |
10 |
27.5″ |
39 |
65 |
|
Pressure Specifications
|
Model Number
|
Motor
|
RPM
|
HP
|
CFM
|
Max. PSI
|
Weight (lbs.)
|
Noise Level [dB(A)]
|
| KRF15-G |
w/o motor |
N/A |
N/A |
10 |
14 |
23 |
65 |
| KRF15-G1 |
208-230/460V |
1750 |
0.5 |
10 |
14 |
39 |
65 |
| KRF15-G4 |
115/230V |
1750 |
0.5 |
10 |
14 |
39 |
65 |
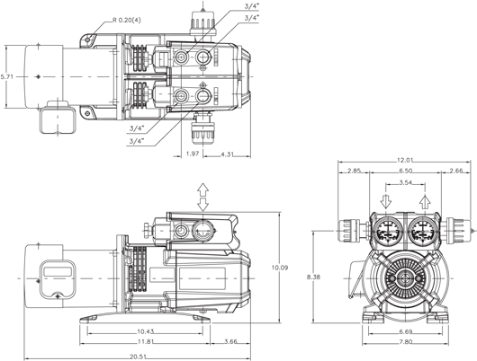
Dimensions (Inches)
