Model Features
- Cooler running, outboard bearing provides maintenance-free operation
- Environmentally friendly oil-free technology
- Extremely quiet operation
- All motors are standard TEFC with Class F insulation, UL recognized, CE Compliant
- Explosion-Proof motors available
- Custom construction blowers are available
- Rugged die cast aluminum construction
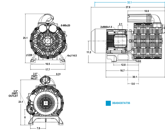
Selection & Ordering Data - Type 3BA9430
Curve
|
Order
|
Hz |
HP |
Input
|
Input
|
Permissible total differential pressure2 |
Sound pressure level3 |
Weight (lbs.) |
|||
Vacuum inch H2O |
Compressor
|
dB(A) |
|||||||||
| 3~ 50/60 Hz IP55 insulation material class F | |||||||||||
| E | 3BA94307AT56 | 50 | 10.05 | 200D… 240D | 345Y…415Y | 26.0D | 15.0Y | -273 | 249 | 70 | 358 |
| E | 3BA94307AT56 | 60 | 11.50 | 220D… 250D | 415Y…460Y | 26.2D | 15.1Y | -261 | 204 | 74 | 358 |
| E | 3BA94307AT56 | 87 | 17.30 | 345D… 415D | 26.5D | -229 | 112 | 83 | 358 | ||
| F | 3BA94307AT86 | 50 | 20.10 | 200D… 240D | 345Y…415Y | 53.0D | 31.0Y | -273 | 409 | 70 | 428 |
| F | 3BA94307AT86 | 60 | 23.20 | 220D… 250D | 415Y…460Y | 53.0D | 30.5Y | -261 | 421 | 74 | 428 |
| F | 3BA94307AT86 | 100 | 34.80 | 345D… 415D | 51.5D | -200 | 261 | 83 | 428 | ||



