Model Features
- Cooler running, outboard bearing provides maintenance-free operation
- Environmentally friendly oil-free technology
- Extremely quiet operation
- All motors are standard TEFC with Class F insulation, UL recognized, CE Compliant
- Explosion-Proof motors available
- Custom construction blowers are available
- Rugged die cast aluminum construction
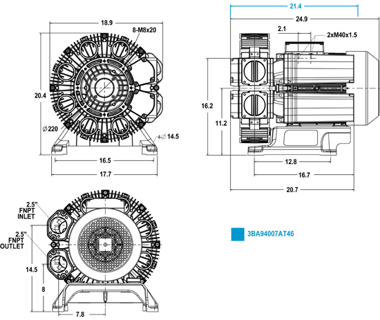
Selection & Ordering Data - Type 3BA9400
Curve
|
Order
|
Hz |
HP |
Input
|
Input
|
Permissible total differential pressure2 |
Sound pressure level3 |
Weight (lbs.) |
|||
Vacuum inch H2O |
Compressor
|
dB(A) |
|||||||||
| 3~ 50/60 Hz IP55 insulation material class F | |||||||||||
| A | 3BA94007AT46 | 50 | 5.40 | 200D… 240D | 345Y…415Y | 8.4D | 4.8Y | -140 | 156 | 66 | 170 |
| A | 3BA94007AT46 | 60 | 6.10 | 220D… 250D | 415Y…460Y | 8.2D | 4.71Y | -148 | 136 | 70 | 170 |
| A | 3BA94007AT46 | 87 | 9.25 | 345D… 415D | 15.1D | -136 | 100 | 82 | 170 | ||
| B | 3BA94007AT66 | 50 | 14.75 | 200D… 240D | 345Y…415Y | 22.2D | 11.01Y | -140 | 156 | 70 | 220 |
| B | 3BA94007AT66 | 60 | 16.9 | 220D… 250D | 415Y…460Y | 22.0D | 11.01Y | -156 | 204 | 70 | 220 |
| B | 3BA94007AT66 | 100 | 16.9 | 345D… 415D | 20.0D | -148 | 88 | 83 | 220 | ||



