Model Features
- Cooler running, outboard bearing provides maintenance-free operation
- Environmentally friendly oil-free technology
- Extremely quiet operation
- All motors are standard TEFC with Class F insulation, UL recognized, CE Compliant
- Explosion-Proof motors available
- Custom construction blowers are available
- Rugged die cast aluminum construction
Selection & Ordering Data - Type 3BA7610
| Curve No. |
Order No. |
Hz | HP |
Input
|
Input
|
Permissible total differential pressure2 |
Sound pressure level3 |
Weight (lbs.) |
|||
Vacuum inch H2O |
Compressor
|
dB(A) |
|||||||||
| 3~ 50/60 Hz IP55 insulation material class F | |||||||||||
| B 260 | 3BA7610-0AT16 | 50 | 2.95 | 200D… 240D | 345Y…415Y | 9.7D | 5.6Y | -136 | 145 | 65 | 70 |
| B 261 | 3BA7610-0AT16 | 60 | 3.42 | 220D… 250D | 415Y…460Y | 9D | 5.3Y | -145 | 126 | 71 | 70 |
| B 262 | 3BA7610-0AT36 | 50 | 4.42 | 200D… 240D | 345Y…415Y | 13D | 7.5Y | -136 | 193 | 65 | 77 |
| B 263 | 3BA7610-0AT36 | 60 | 5.09 | 220D… 250D | 415Y…460Y | 13.5D | 7.8Y | -153 | 213 | 71 | 77 |
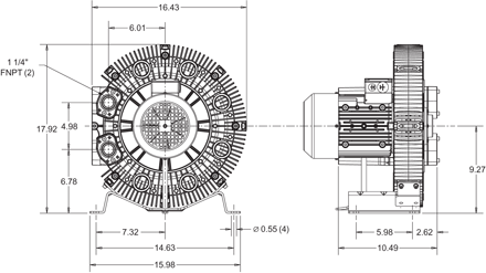
Dimensions
Relief Valve:
VC51Z (Vacuum)
PC51Z (Pressure)
Filter:
ATF-125-1337
(Vacuum)
AFS-20-125-10
(Pressure)



