Model Features
- Cooler running, outboard bearing provides maintenance-free operation
- Environmentally friendly oil-free technology
- Extremely quiet operation
- All motors are standard TEFC with Class F insulation, UL recognized, CE Compliant
- Explosion-Proof motors available
- Custom construction blowers are available
- Rugged die cast aluminum construction
Selection & Ordering Data - Type 3BA7520
Curve
|
Order
|
Hz |
HP |
Input
|
Input
|
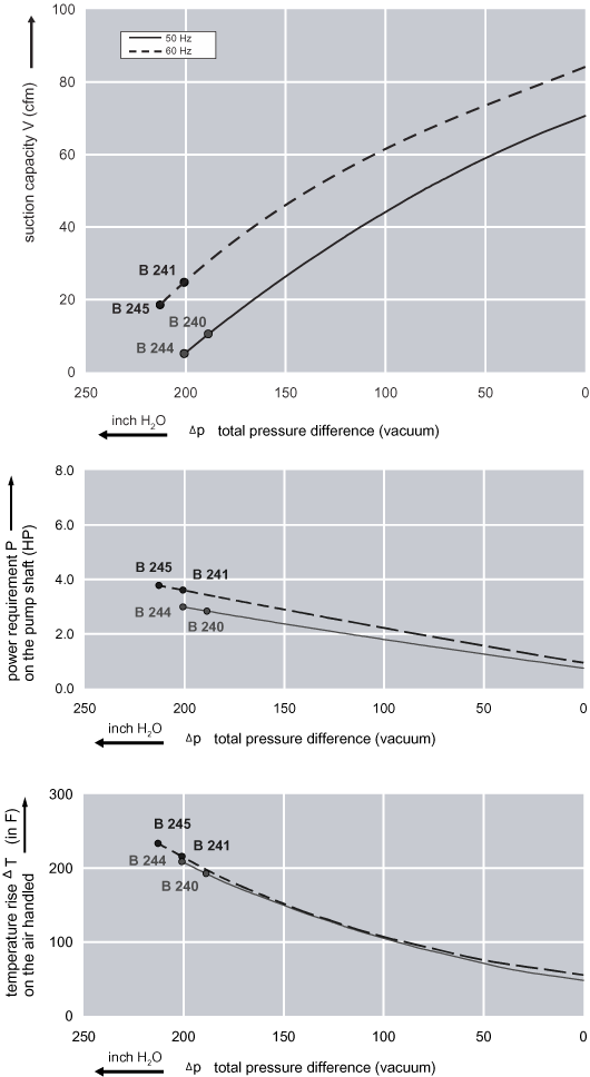
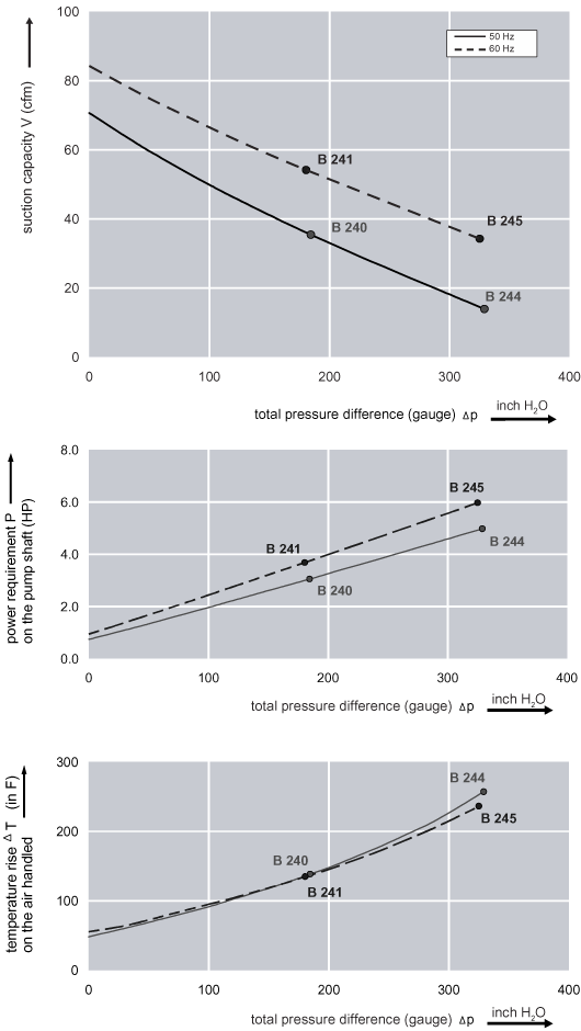
Permissible total differential pressure2 |
Sound pressure level3 |
Weight (lbs.) |
|||
Vacuum inch H2O |
Compressor
|
dB(A) |
|||||||||
| 3~ 50/60 Hz IP55 insulation material class F | |||||||||||
| B 240 | 3BA7520-0AT26 | 50 | 2.95 | 200D… 240D | 345Y…415Y | 9.7D | 5.6Y | -189 | 185 | 64 | 88 |
| B 241 | 3BA7520-0AT26 | 60 | 3.42 | 220D… 250D | 415Y…460Y | 10.3D | 6.0Y | -201 | 181 | 70 | 88 |
| B 242 | 3BA7520-0AT76 | 50 | 5.36 | 200D… 240D | 345Y…415Y | 15.5D | 9Y | -201 | 329 | 65 | 112 |
| B 243 | 3BA7520-0AT76 | 60 | 6.17 | 220D… 250D | 415Y…460Y | 16.5D | 9.5Y | -213 | 325 | 71 | 112 |
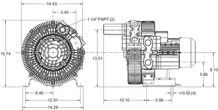
Dimensions
Relief valve:
VC51Z (Vacuum)
PC51Z (Pressure)
Filter:
ATF-125-1337
(Vacuum)
AFS-20-125-10
(Pressure)



