Model Features
- Cooler running, outboard bearing provides maintenance-free operation
- Environmentally friendly oil-free technology
- Extremely quiet operation
- All motors are standard TEFC with Class F insulation, UL recognized, CE Compliant
- Explosion-Proof motors available
- Custom construction blowers are available
- Rugged die cast aluminum construction
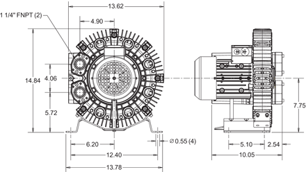
Selection & Ordering Data - Type 3BA7410
| Curve No. |
Order No. |
Hz | HP |
Input
|
Input
|
Permissible total differential pressure2 |
Sound pressure level3 |
Weight (lbs.) |
|||
Vacuum inch H2O |
Compressor
|
dB(A) |
|||||||||
| 3~ 50/60 Hz IP55 insulation material class F | |||||||||||
| B 200 | 3BA7410-0AT16 | 50 | 1.47 | 200D… 240D | 345Y…415Y | 5.4D | 3.1Y | -120 | 153 | 58 | 51 |
| B 201 | 3BA7410-0AT16 | 60 | 2.01 | 220D… 250D | 415Y…460Y | 5.5D | 3.2Y | -136 | 149 | 62 | 51 |
| 1~ 50/60 Hz IP55 with attached capacitor for continuous operation | |||||||||||
| B 200s | 3BA7410-0AS45 | 50 | 1.47 | 115 | 230 | 16 | 8 | -120 | 153 | 58 | 51 |
| B 201s | 3BA7410-0AS45 | 60 | 1.74 | 115 | 230 | 20 | 10 | -136 | 157 | 62 | 51 |
Dimensions
Relief valve:
VC51Z (Vacuum)
PC51Z (Pressure)
Filter:
ATF-125-1337
(Vacuum)
AFS-20-125-10
(Pressure)



