Model Features
- Cooler running, outboard bearing provides maintenance-free operation
- Environmentally friendly oil-free technology
- Extremely quiet operation
- All motors are standard TEFC with Class F insulation, UL recognized, CE Compliant
- Explosion-Proof motors available
- Custom construction blowers are available
- Rugged die cast aluminum construction
Selection & Ordering Data - Type 3BA7320
| Curve No. |
Order No. |
Hz | HP |
Input
|
Input
|
Permissible total differential pressure2 |
Sound pressure level3 |
Weight (lbs.) |
|||
Vacuum inch H2O |
Compressor
|
dB(A) |
|||||||||
| 3~ 50/60 Hz IP55 insulation material class F | |||||||||||
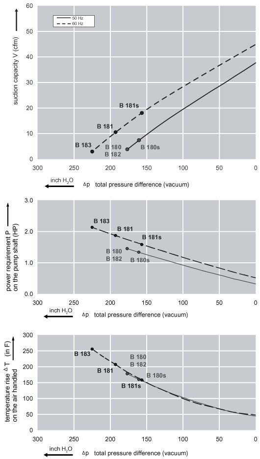
| A 180 | 3BA7320-0AT46 | 50 | 1.47 | 200D… 240D | 345Y…415Y | 5.4D | 3.1Y | -177 | 193 | 59 | 64 |
| A 181 | 3BA7320-0AT46 | 60 | 2.01 | 220D… 250D | 415Y…460Y | 5.5D | 3.2Y | -193 | 185 | 63 | 64 |
| A 182 | 3BA7320-0AT56 | 50 | 2.01 | 200D… 240D | 345Y…415Y | 7.5D | 4.3Y | -177 | 217 | 59 | 66 |
| A 183 | 3BA7320-0AT56 | 60 | 2.75 | 220D… 250D | 415Y…460Y | 7.5D | 4.4Y | -225 | 241 | 63 | 66 |
| 1~ 50/60 Hz IP55 with attached capacitor for continuous operation | |||||||||||
| A 180s | 3BA7320-0AS75 | 50 | 2.0 | 115 | 230 | 19.4 | 9.7 | -161 | 221 | 59 | 70 |
| A 181s | 3BA7320-0AS75 | 60 | 2.35 | 115 | 230 | 20.6 | 10.3 | -157 | 217 | 63 | 70 |
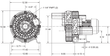
Dimensions
Relief valve:
VC51Z (Vacuum)
PC51Z (Pressure)
Filter:
ATF-125-1337
(Vacuum)
AFS-20-125-10
(Pressure)



