Model Features
- Cooler running, outboard bearing provides maintenance-free operation
- Environmentally friendly oil-free technology
- Extremely quiet operation
- All motors are standard TEFC with Class F insulation, UL recognized, CE Compliant
- Explosion-Proof motors available
- Custom construction blowers are available
- Rugged die cast aluminum construction
Selection & Ordering Data - Type 3BA7310
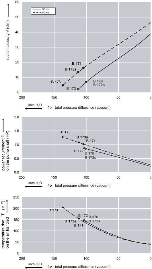
| Curve No. |
Order No. |
Hz | HP |
Input
|
Input
|
Permissible total differential pressure2 |
Sound pressure level3 |
Weight (lbs.) |
|||
Vacuum inch H2O |
Compressor
|
dB(A) |
|||||||||
| 3~ 50/60 Hz IP55 insulation material class F | |||||||||||
| A 170 | 3BA7310-0AT16 | 50 | 0.73 | 200D… 240D | 345Y…415Y | 2.8D | 1.6Y | -100 | 100 | 57 | 35 |
| A 171 | 3BA7310-0AT16 | 60 | 1.11 | 220D… 250D | 415Y…460Y | 3.75D | 2.15Y | -104 | 100 | 62 | 35 |
| A 172 | 3BA7310-0AT26 | 50 | 1.09 | 200D… 240D | 345Y…415Y | 4D | 2.3Y | -112 | 141 | 57 | 37 |
| A 173 | 3BA7310-0AT26 | 60 | 1.26 | 220D… 250D | 415Y…460Y | 4D | 2.3Y | -136 | 145 | 62 | 37 |
| 1~ 50/60 Hz IP55 with attached capacitor for continuous operation | |||||||||||
| A 172s | 3BA7310-0AS75 | 50 | 1.26 | 115 | 230 | 15.2 | 7.6 | -100 | 141 | 57 | 40 |
| A 173s | 3BA7310-0AS75 | 60 | 1.47 | 115 | 230 | 18 | 9.0 | -112 | 157 | 62 | 40 |
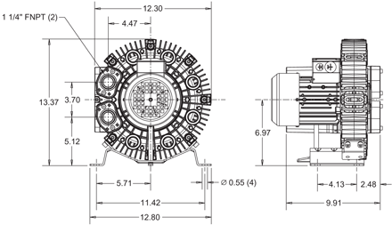
Dimensions
Relief valve:
VC51Z (Vacuum)
PC51Z (Pressure)
Filter:
ATF-125-1337
(Vacuum)
AFS-20-125-10
(Pressure)



