Model Features
- Cooler running, outboard bearing provides maintenance-free operation
- Environmentally friendly oil-free technology
- Extremely quiet operation
- All motors are standard TEFC with Class F insulation, UL recognized, CE Compliant
- Explosion-Proof motors available
- Custom construction blowers are available
- Rugged die cast aluminum construction
Selection & Ordering Data - Type 3BA1910
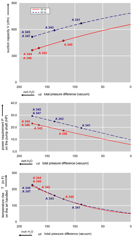
| Curve No. |
Order No. |
Hz | HP |
Input
|
Input
|
Permissible total differential pressure2 |
Sound pressure level3 |
Weight (lbs.) |
|||
Vacuum inch H2O |
Compressor
|
dB(A) |
|||||||||
| 3~ 50/60 Hz IP55 insulation material class F | |||||||||||
| A 340 | 3BA1910-7AT16 | 50 | 16.75 | 200D… 240D | 345Y…415Y | 48.5D | 28Y | -120 | 108 | 74 | 409 |
| A 341 | 3BA1910-7AT16 | 60 | 19.43 | 220D… 250D | 415Y…460Y | 50D | 29Y | -88 | 80 | 84 | 409 |
| A 342 | 3BA1910-7AT26 | 50 | 22.12 | 200D… 240D | 345Y…415Y | 60D | 35Y | -165 | 149 | 74 | 428 |
| A 343 | 3BA1910-7AT26 | 60 | 25.47 | 220D… 250D | 415Y…460Y | 63D | 36.5Y | -136 | 120 | 84 | 428 |
| A 344 | 3BA1910-7AT36 | 50 | 26.81 | 200D… 240D | 345Y…415Y | 69D | 40Y | -177 | 201 | 74 | 455 |
| A 345 | 3BA1910-7AT36 | 60 | 30.82 | 220D… 250D | 415Y…460Y | 72D | 42Y | -177 | 173 | 48 | 455 |
| A 346 | 3BA1910-7AT46 | 50 | 33.51 | 200D… 240D | 345Y…415Y | 90D | 52Y | -177 | 237 | 74 | 500 |
| A 347 | 3BA1910-7AT46 | 60 | 38.87 | 220D… 250D | 415Y…460Y | 90D | 52Y | -177 | 217 | 84 | 500 |
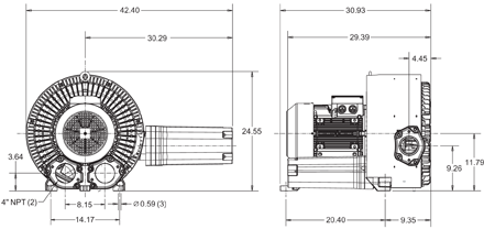
Dimensions
Relief valve:
VC100Z (Vacuum)
PC100Z (Pressure)
Filter:
ATF-400-21138
(Vacuum)
AFS-234-400-10
(Pressure)



