Model Features
- Cooler running, outboard bearing provides maintenance-free operation
- Environmentally friendly oil-free technology
- Extremely quiet operation
- All motors are standard TEFC with Class F insulation, UL recognized, CE Compliant
- Explosion-Proof motors available
- Custom construction blowers are available
- Rugged die cast aluminum construction
Selection & Ordering Data - Type 3BA1610
| Curve No. |
Order No. |
Hz | HP |
Input
|
Input
|
Permissible total differential pressure2 |
Sound pressure level3 |
Weight (lbs.) |
|||
Vacuum inch H2O |
Compressor
|
dB(A) |
|||||||||
| 3~ 50/60 Hz IP55 insulation material class F | |||||||||||
| A 230 | 3BA1610-7AT16 | 50 | 2.95 | 200D… 240D | 345Y…415Y | 9.7D | 5.6Y | -88 | 84 | 73 | 93 |
| A 231 | 3BA1610-7AT16 | 60 | 3.42 | 220D… 250D | 415Y…460Y | 9D | 5.3Y | -68 | 60 | 76 | 93 |
| A 232 | 3BA1610-7AT26 | 50 | 4.02 | 200D… 240D | 345Y…415Y | 12.5D | 7.2Y | -112 | 104 | 73 | 104 |
| A 233 | 3BA1610-7AT26 | 60 | 4.62 | 220D… 250D | 415Y…460Y | 12D | 6.5Y | -92 | 80 | 76 | 104 |
| A 234 | 3BA1610-7AT36 | 50 | 5.36 | 200D… 240D | 345Y…415Y | 13D | 7.5Y | -145 | 153 | 73 | 117 |
| A 235 | 3BA1610-7AT36 | 60 | 6.43 | 220D… 250D | 415Y…460Y | 16.5D | 9.8Y | -141 | 128 | 76 | 117 |
| A 236 | 3BA1610-7AT46 | 50 | 7.37 | 200D… 240D | 345Y…415Y | 23D | 13.3Y | -177 | 201 | 73 | 154 |
| A 237 | 3BA1610-7AT46 | 60 | 8.44 | 220D… 250D | 415Y…460Y | 20D | 11.2Y | -177 | 201 | 76 | 154 |
| A 238 | 3BA1610-7AT56 | 50 | 10.5 | 200D… 240D | 345Y…415Y | 29D | 16.7Y | -177 | 229 | 73 | 170 |
| A 239 | 3BA1610-7AT56 | 60 | 11.52 | 220D… 250D | 415Y…460Y | 27.5D | 15Y | -185 | 265 | 76 | 170 |
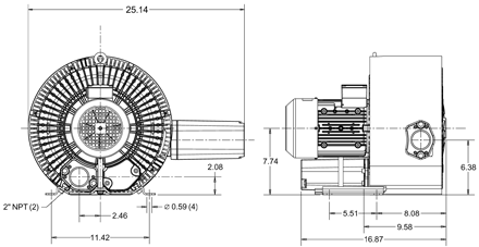
Dimensions
Relief valve:
VC61Z (Vacuum)
PC61Z (Pressure)
Filter:
ATF-200-15124/1
(Vacuum)
AFS-30-200-10
(Pressure)



