Model Features
- Cooler running, outboard bearing provides maintenance-free operation
- Environmentally friendly oil-free technology
- Extremely quiet operation
- All motors are standard TEFC with Class F insulation, UL recognized, CE Compliant
- Explosion-Proof motors available
- Custom construction blowers are available
- Rugged die cast aluminum construction
Selection & Ordering Data - Type 3BA1510
Curve
|
Order No. |
Hz | HP |
Input
|
Input
|
Permissible total differential pressure2 |
Sound pressure level3 |
Weight (lbs.) |
|||
Vacuum inch H2O |
Compressor
|
dB(A) |
|||||||||
| 3~ 50/60 Hz IP55 insulation material class F | |||||||||||
| A 200 | 3BA1510-7AT46 | 50 | 4.02 | 200D… 240D | 345Y…415Y | 12.5D | 7.2Y | -136 | 165 | 72 | 86 |
| A 201 | 3BA1510-7AT46 | 60 | 4.62 | 220D… 250D | 415Y…460Y | 12D | 6.5Y | -153 | 145 | 74 | 86 |
| A 202 | 3BA1510-7AT56 | 50 | 5.36 | 200D… 240D | 345Y…415Y | 17.4D | 10Y | -157 | 197 | 72 | 95 |
| A 203 | 3BA1510-7AT56 | 60 | 6.16 | 220D… 250D | 415Y…460Y | 15.2D | 8.5Y | -165 | 193 | 74 | 95 |
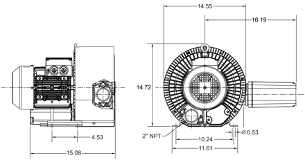
Dimensions
Relief valve:
VC61Z (Vacuum)
PC61Z (Pressure)
Filter:
ATF-200-15124/1
(Vacuum)
AFS-30-200-10
(Pressure)



