Model Features
- Cooler running, outboard bearing provides maintenance-free operation
- Environmentally friendly oil-free technology
- Extremely quiet operation
- All motors are standard TEFC with Class F insulation, UL recognized, CE Compliant
- Explosion-Proof motors available
- Custom construction blowers are available
- Rugged die cast aluminum construction
Selection & Ordering Data - Type 3BA1100
Curve
|
Order
|
Hz |
HP |
Input
|
Input
|
Permissible total differential pressure2 |
Sound pressure level3 |
Weight (lbs.) |
|||
Vacuum inch H2O |
Compressor
|
dB(A) |
|||||||||
| 3~ 50/60 Hz IP55 insulation material class F | |||||||||||
| A 110 | 3BA1100-7AT06 | 50 | 0.27 | 200D… 240D | 345Y…415Y | 1.0D | 0.6Y | -24 | 28 | 50 | 13 |
| A 111 | 3BA1100-7AT06 | 60 | 0.31 | 220D… 250D | 415Y…460Y | 1.0D | 0.6Y | -30 | 32 | 53 | 13 |
| 1~ 50/60 Hz IP55 with attached capacitor for continuous operation | |||||||||||
| A 110s | 3BA1100-7AS05 | 50 | 0.27 | 115 | 230 | 3.0D | 1.5Y | -24 | 28 | 50 | 13 |
| A 111s | 3BA1100-7AS05 | 60 | 0.31 | 115 | 230 | 2.6D | 1.3Y | -30 | 32 | 53 | 13 |
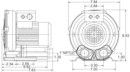
Dimensions
Relief valve:
VC51Z (Vacuum)
PC51Z (Pressure)
Filter:
ATF-125-1337
(Vacuum)
AFS-20-125-10
(Pressure)



