The AIRTECH Dual Knock-out Pot / Inlet Filter is designed to protect your vacuum pump from liquid slugs and solid debris.
Preventing entry of liquids and solid particulates into the pump will reduce pump oil / contamination, improves operating efficiency and prolongs the life of the pump.
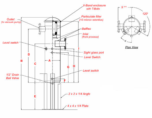
Entrained liquid is separated in the knock-out pot by a unique baffle design. Elimination of demister pads minimizes pressure drop in the vessel.
Multi-stage separation is accomplished by the initial tangential entry of the gas stream baffle location; the particulate filter which removes solids down to 10 micron in size.
Knockout Pot Features
- Simplistic space saver design, for liquid and solid separation
- Removable cover with V-band closure and T-bolts (no tools required)
- Carbon steel or stainless steel housing designed and tested for full vacuum service
- Self-supporting on three legs for free standing installation
- Access ports for 3 level switches, sight glass, and various instrumentation
- Liquid drain valve
- Design pressure – Full vacuum
- Design temperature – 20 to +2000 °F
AT-KOP Knock Out Pot Dimensions (Inches)
| Model | A | B | C | D | E | F | G | H | I | Inlet | Exhaust | Condensate Volume |
|---|---|---|---|---|---|---|---|---|---|---|---|---|
| AT-KOP-8 | 8 | 55 | 25 | 25 | 18 | 2.5 | 20 | 22.5 | 37 | 2″-150# | 2″-150# | 5 gal. |
| AT-KOP-11 | 10.75 | 61.375 | 25.875 | 35.69 | 18 | 2.5 | 20 | 22.5 | 40.75 | 3″-150# | 3″-150# | 10 gal. |

